SERRATED: Rivet Bushes
FSUK-SERRATED
Description
The FSUK serrated face bush is offered as an alternative to the Serrated spigot and has a range of different hole sizes to give designers and sheet metal sub contractors a choice. The spigot is designed to go through the sheet and be rivetted over on the back allowing it to go into all types of material. They are generally available in Steel Self Colour or Zinc and Clear Pass and Stainless Steel. The FSUK Serrated face rivet bush can be used in material as thin as 0.5mm up to 5.9mm. It is designed to be installed into drilled or punched holes.
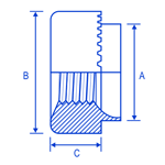
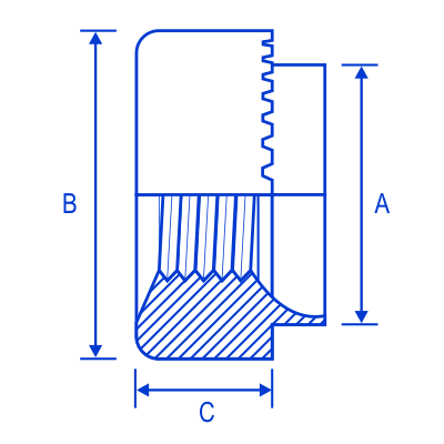
Dimensions
| thread | A | B | C | holesize |
| M2.5 | 5.54 | 7.92 | 3.17 | 5.54 |
| M3 | 5.54 | 7.92 | 3.17 | 5.54 |
| M3.5 | 6.73 | 9.52 | 3.17 | 6.73 |
| M4 | 6.73 | 9.52 | 3.17 | 6.73 |
| M5 | 7.92 | 11.10 | 3.81 | 7.92 |
| M6 | 9.52 | 12.70 | 5.08 | 9.52 |
| M8 | 12.70 | 15.87 | 6.35 | 12.70 |
| M10 | 15.87 | 19.05 | 7.62 | 15.87 |
| M12 | 19.05 | 25.40 | 10.16 | 19.05 |
Advantages
CAN BE INSTALLED MANUALLY OR WITH AN AUTO-FEED PRESS VERY HIGH PERFORMANCE DUE TO ITS RIVETING ACTION ON THE BACK OF THE SHEET METAL SUITABLE FOR USE IN DRILLED OR PUNCHED HOLES
Comments
HOW TO SPECIFY
FSUK M4-16 SWG SERR STEEL TRIVALENT
Specify gauge size fastener is fixing into and then material of Rivet Bush.
Available in Self Colour, Steel or Stainless. Also available with Serrations on Spigot.
Please note Dimension A tolerance is +0/-0.2mm.
Hole size tolerance is -0/+0.1mm and we recommend you punch or drill the hole towards the top limit.
click HERE for a PDF version of this brochure page
Most sizes available from stock contact fsuk for further info.












